1
/
of
4
944Store, Porsche Genuine Parts
Door Lock Inner RH 92853705309
Door Lock Inner RH 92853705309
Regular price
$264.73 USD
Regular price
$264.73 USD
Sale price
$264.73 USD
Shipping calculated at checkout.
Availability: In stock, ships in 24 hours or less
Quantity
Couldn't load pickup availability
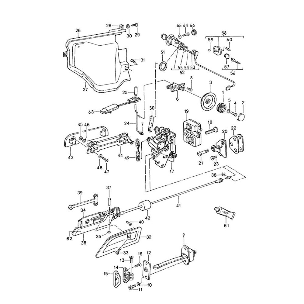
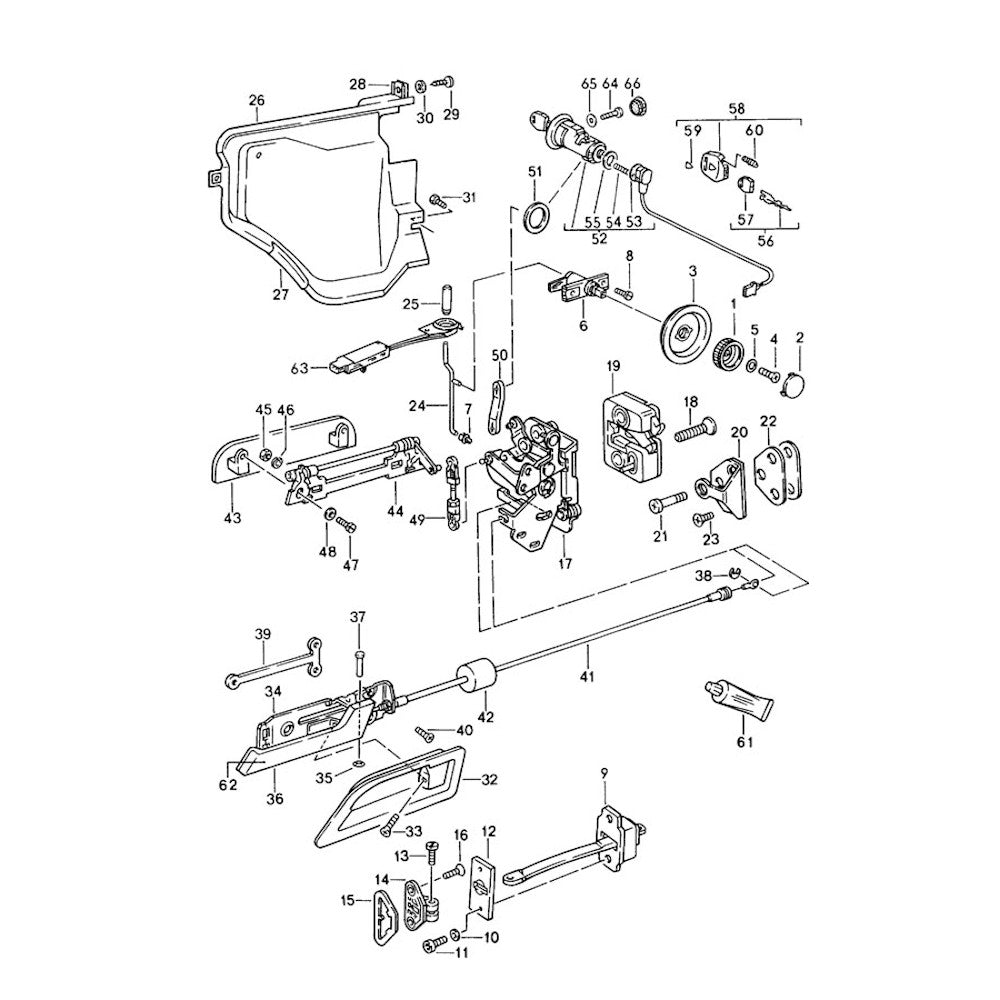
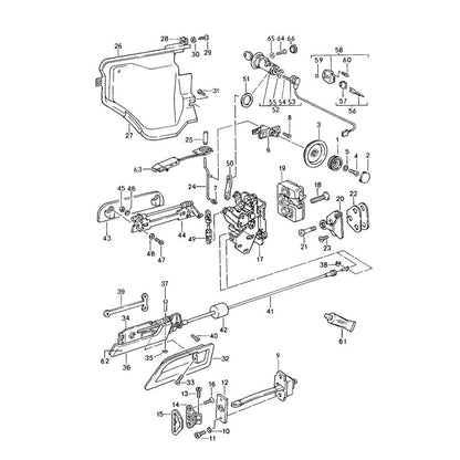
Porsche New 92853705309 Door Lock Inner Part
Porsche Genuine New 1982 to 1991 Porsche Lock Inner Part 92853705309
Right Side (Passenger Door)
Item 16 on diagram 1, item 17 on diagram 2.
Part number : 928.537.053.09, 928 537 053 09
Fits:
- Porsche 928 / 1987 - 1991
- Porsche 944 / 1989 - 1991
- Porsche 968 / 1992 - 1995
- Porsche 928 / 1992 - 1995
Share
