1
/
of
2
Porsche Genuine Parts
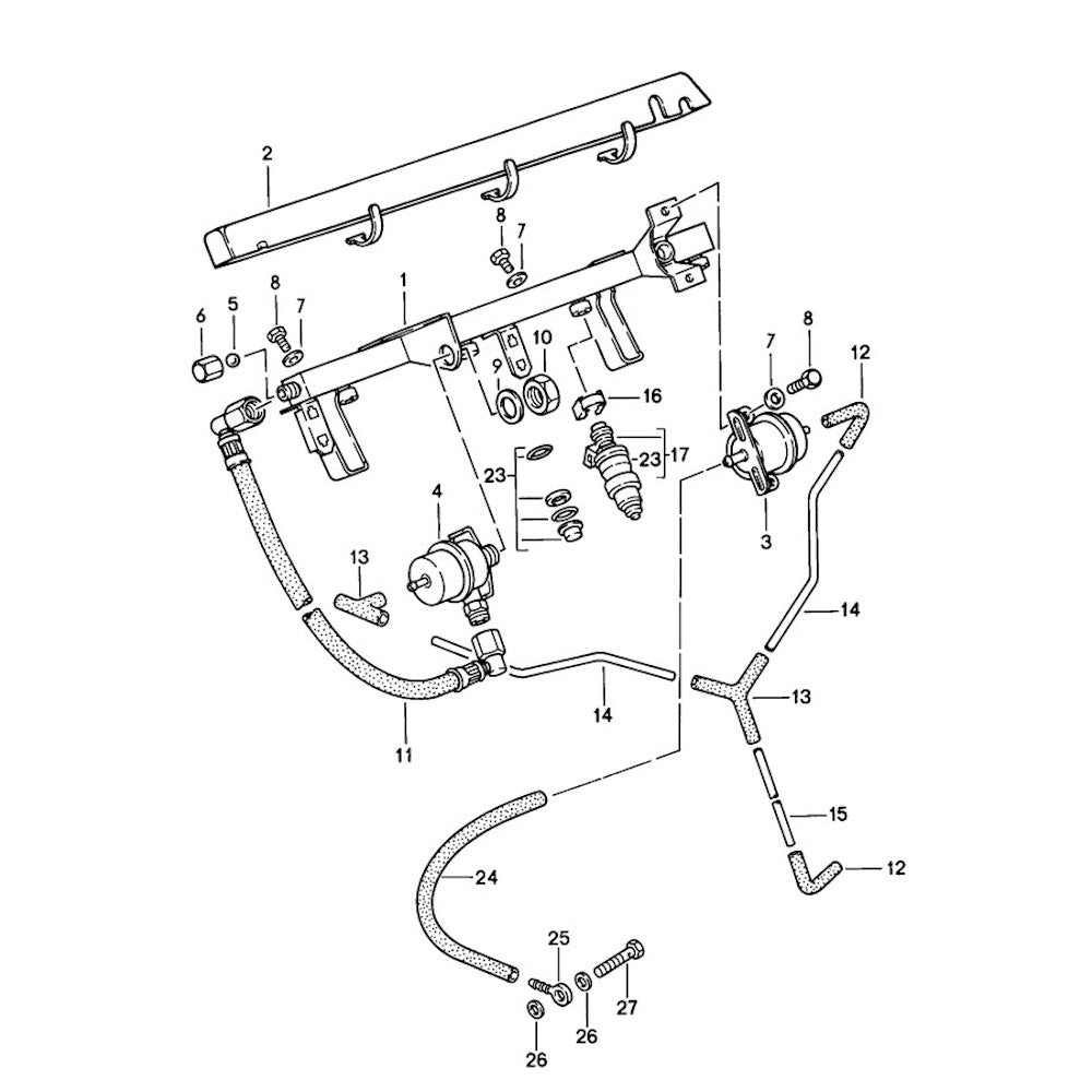
Injector Valve Sgt 23 - 35 / 9W2 95160611000
Injector Valve Sgt 23 - 35 / 9W2 95160611000
Regular price
$438.76 USD
Regular price
$516.19 USD
Sale price
$438.76 USD
Shipping calculated at checkout.
Availability: email info@944store.com for availability
Quantity
Couldn't load pickup availability
Porsche 95160611000 Injector Valve Sgt 23 – 35 / 9W2
1989 to 1991 Porsche 944 Injector Valve Sgt 23 - 35 / 9W2 95160611000 (recommended qty of 4)
Part number : 951.606.110.00, 951 606 110 00
Fits:
- Porsche 944 / 1985 - 1988
- Porsche 944 / 1989 - 1991
Share
