1
/
of
2
Porsche Protection Cap 113927249
Up to 15% offSold out
Regular price
$4.20
Sale price
$4.20
Regular price
$4.94
Unit price
/
per
Availability: email info@944store.com for availability
Couldn't load pickup availability
- Fully secure checkout
- Trusted by thousands
- Rated and reviewed
Sorry, it's out of stock.
But we can let you know when it's back in.
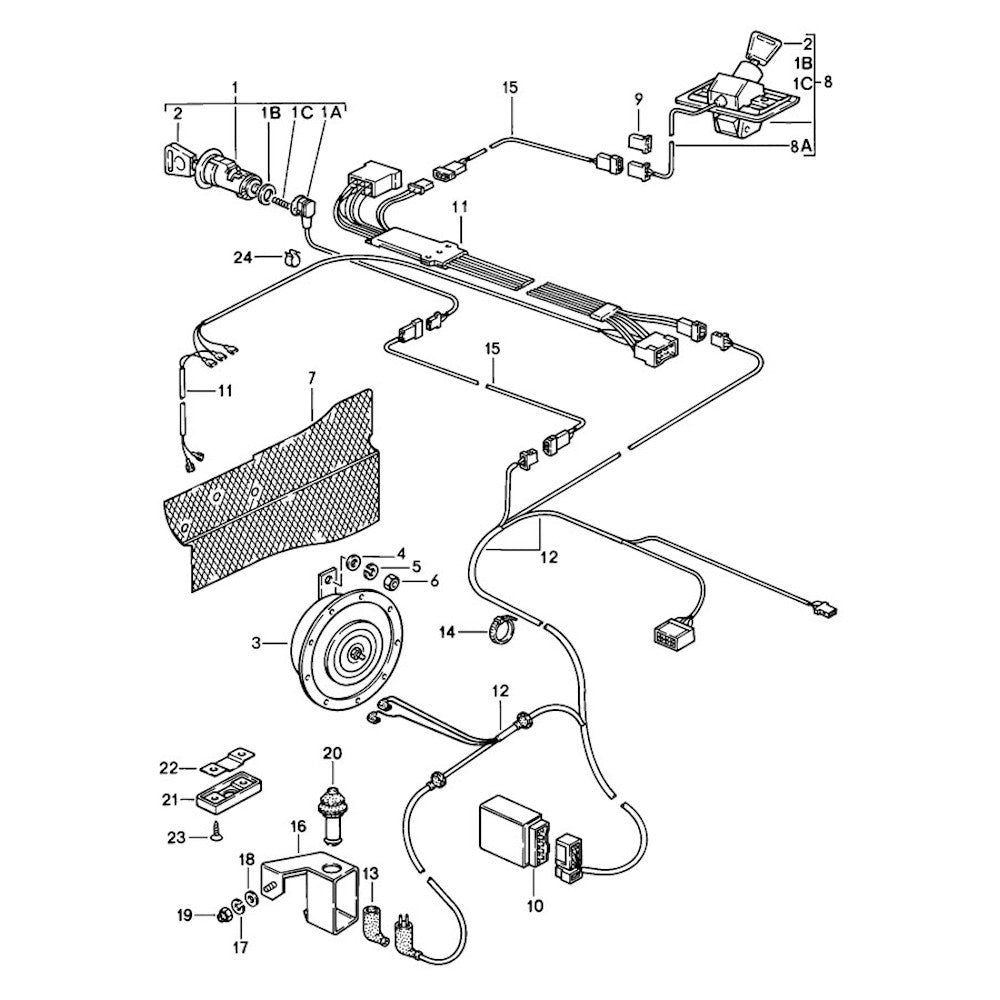
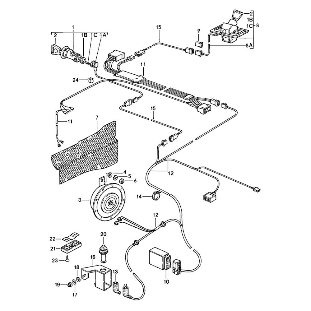
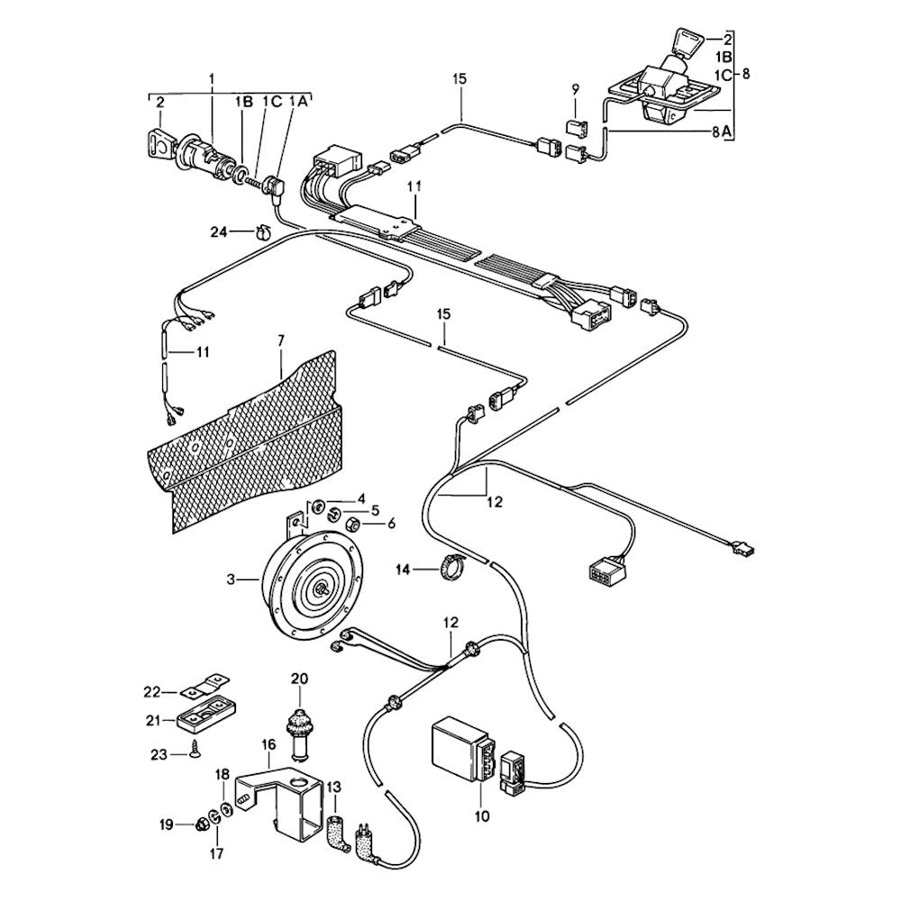
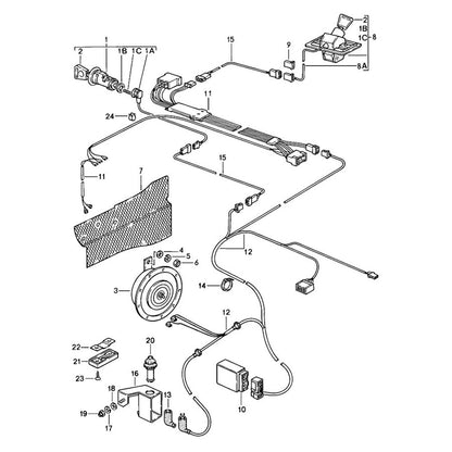
Porsche 113927249
1982 to 1985.5 Porsche 944 Protection Cap 113927249
Part number : 113.927.249, 113 927 249
Fits:
- Porsche 924 / 1980 - 1985
- Porsche 928 / 1978 - 1982
- Porsche 944 / 1982 - 1985
- Porsche 928 / 1983 - 1986
- Porsche 944 / 1985 - 1988
- Porsche 924S / 1986 - 1988
- Porsche 928 / 1987 - 1991
Secure your shopping experience with various safe and trusted payment methods.
Payment methods
